Przejdź do głównej treści
Zamknij wyszukiwarkę Wyczyść Szukaj
Produkty w koszyku: 0. Zobacz szczegóły

Twój koszyk jest pusty

Zamknij wyszukiwarkę Wyczyść Szukaj

WENTYLATOR DMUCHAWA SPAL 008-A54-02 12V 3 SPEED RPA3VCV

SPAL
z VAT bez VAT
Cena 499,00 zł
w tym 23% VAT

Ceny podane bez kosztów dostawy.

szt.
Dostępność:
na wyczerpaniu
Czas wysyłki: Do godziny 13 tego samego dnia
Dostawa od 0,00 zł - Inpost Kurier

Opis

Specyfikacja techniczna

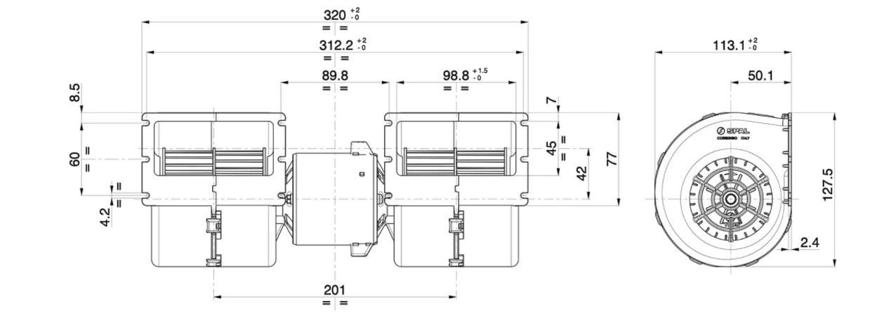
DMUCHAWA PODWÓJNA WENTYLATOR

SPAL 008-A54-02 3 - SPEED

Oznaczenie SPAL: 008-A54-02

Dane techniczne:

  • STRUMIEŃ POWIETRZA - 920 m³/h
  • JEDNOBIEGOWA - 3 SPEED
  • NAPIĘCIE ZASILANIA: 12V
  • MAKSYMALNY POBÓR PRĄDU: 29,7A
  • Rezystor: RPA3VCV

NR;CEL1644

Napięcie

  • Napięcie 12V
  • Strumień powietrza

  • Strumień powietrza 920m3/h
  • Ilość biegów

  • Ilość biegów 3
  • Rezystor

  • Rezystor RPA3VCV
  • Polecane produkty